Sign In | Join Free | My brakesband.com
China Shanghai Hengxiang Optical Electronic Co., Ltd. logo
Shanghai Hengxiang Optical Electronic Co., Ltd.
PROFESSIONAL ENCODER MANUFACTURER SINCE 2001 Incremental & Absolute Encoders all in high quality
Site Member

7 Years

Home > Solid Shaft Encoder >

3600ppr S50 Incremental Digital Shaft Encoder 10mm Axial Length 16mm With 10mm Coupling

Shanghai Hengxiang Optical Electronic Co., Ltd.
Contact Now

3600ppr S50 Incremental Digital Shaft Encoder 10mm Axial Length 16mm With 10mm Coupling

  • 1
  • 2

Brand Name : HENGXIANG

Model Number : S50 shaft encoder

Certification : CE,ISO9001

Place of Origin : Shanghai,China

MOQ : 1pcs encoder to start order

Price : negotiable

Payment Terms : D/A, D/P, T/T, Western Union, Credit Card, Master Card,Paypal, etc

Supply Ability : 100K pieces per year

Delivery Time : 3-5 working days for sample order, 7-15 working days for mass order

Packaging Details : each 1 piece was packed into single carton box

Brand : HENGXIANG

Product name : Digital shaft encoder

External diameter : 50mm

Output mode : OC, Voltage, Push-pull, Difference output

Output phase : Phase A+,B+,Z+ A- B- Z-

Supply voltage : DC5V ; DC8-30V

Shaft load : Radial 40N; Axial 20N

Protection grade : IP50 ; IP65

Contact Now

3600ppr S50 incremental encoder solid shaft 10mm axial length 16mm with 10mm coupling

3600ppr S50 Incremental Digital Shaft Encoder 10mm Axial Length 16mm With 10mm Coupling

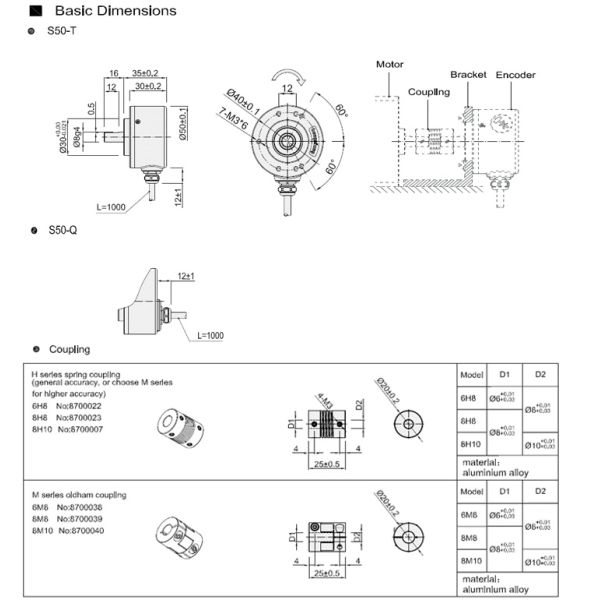
Select a coupling for S50 solid shaft encoder

There are some applications that you may need to use a coupling to connect encoder to the motor shaft, there’re a few tips to select a coupling type

1 you need to consider the magnitude and nature of the required transmitted torque, the requirements for buffering and damping functions, and whether resonance may occur.

2 you also need to think about the degree of relative displacement of the two axis axes caused by manufacturing and assembly errors, shaft loading and thermal expansion deformation, and relative motion between components.

3 regarding the applicable dimensions and installation methods, in order to facilitate the assembly, adjustment and maintenance of the necessary operating space. For large couplings, it should be possible to disassemble the shaft without axial movement.

4. In addition, consideration should be given to the working environment, service life, and lubrication, sealing, and economic conditions. Refer to the various coupling characteristics and choose a suitable coupling type.

5. Here are some coupling part number, please carefully check before ordering.

4H4

6H6

6H8

8H8

8H10

6M6

6M8

8M8

8M10

Detail Specifications for S50 incremental encoder

Items Basic parameters
Brand HENGXIANG
Encoder type Incremental encoder
External diameter 50mm
Resolution 50;60;100;200;250;256;300;360;400;450;500;512;600;
700;720;800;900;1000;1024;1200;2000;2048;2500;5000
  8192;10000;11520;16384;20000;23040
Output phase Phase A+,B+,Z+ A- B- Z-
Supply voltage DC5V ; DC8-30V
Output mode NPN&PNP
Voltage output
Push-pull output
Difference output(TTL,HTL,RS422)
Environmental temperature Operating temperature: -20~+90° (Non icing)
Storage temperature: -25~+100° (Non icing)
Environmental humanity Operating and storage: 35~85%RH (non-condensing)
Protection grade IP50 ; IP65
Cable length 1M (cable length could be added appropriately by
require, but it need payment individually)
Consumption current 100mA MAX
Top response frequency 300KHZ
Allowable ripple ≤3%rms
Load Voltage ≤DC30V
starting torque less than 5X10-3 N.m
Intertia moment less than 3x 10-6kg.m2
Shaft load Radial 40N; Axial 20N
Top REV 5000RPM ;IP65≤3000r rpm

Payment terms:

1. T/T, western union, credit card, Paypal, etc

2. 3-5 working days after payment received

3. Encoders will be shipped once ready

FAQ

Q: What’s your MOQ?

A: 1pcs

Q: How to order your encoder?

A: Contact us, or email us, we will reply you as soon as possible.

Q: Are you a factory or a trading company?

A: we are 100% factory with our brand.

Q: What’s your brand?

A: HENGXIANG

Q: What parameters are requested before ordering an encoder?

A: You should get some basic parameters before you start to order. Such as installation dimensions, resolutions, circuit signal, power supply voltage, etc.

If you have any doubt on selecting the model, you are welcome to contact us for more assistant.

Q: Where is your factory?

A: Our factory is located on Shanghai City.

Q: Can I pay a visit to your factory?

A: Yes, you we welcome to visit our factory at any time if convenient.

Q: How long is your delivery time?

A: Usually 3 working days for sample, 7-15 days for mass production,

The production date is according to order quantity.


Product Tags:

shaft mounted encoder

      

digital shaft encoder

      
Quality 3600ppr S50 Incremental Digital Shaft Encoder 10mm Axial Length 16mm With 10mm Coupling for sale

3600ppr S50 Incremental Digital Shaft Encoder 10mm Axial Length 16mm With 10mm Coupling Images

Inquiry Cart 0
Send your message to this supplier
 
*From:
*To: Shanghai Hengxiang Optical Electronic Co., Ltd.
*Subject:
*Message:
Characters Remaining: (0/3000)